Fire Bead®

helen contact background
/
/
/
Fire Bead® Fire Rated Deflection Bead
MW Fire Bead Logo

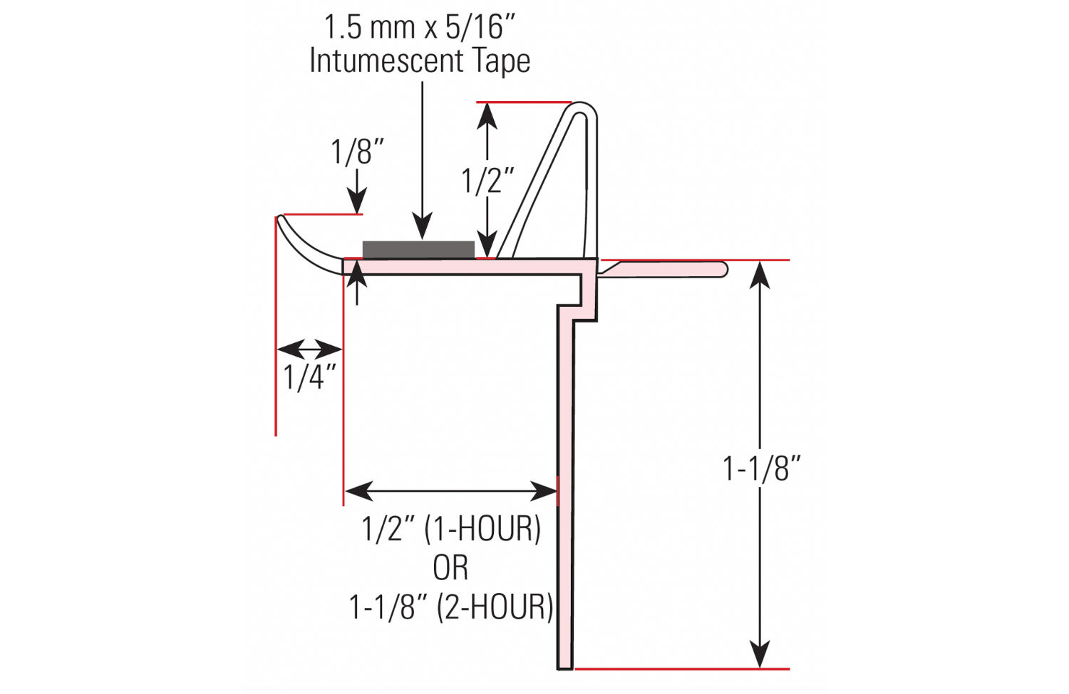
Fire Bead® is a surface mounted deflection bead tested to UL 2079. It provides 1 hr and 2 hr firestop solutions in joints for both standard and shaft wall assemblies.

Fire Bead provides 1/2″ nominal joint protection, utilizing firestopping technology to halt the passage of smoke, fire, and sound.

This solution combines a vinyl bubble gasket, a perforated mud leg and intumescent strip to provide an aesthetically pleasing joint in exposed locations. It provides a single step installation of both a code compliant firestop and finished drywall accessory in a single component.

Additionally, it is sound tested according to ASTM E90, with test reports available. STC ratings match or exceed the performance of acoustic sealant.

UL Logo
  • Tested with up to 50% compression
  • Can be used in top-of-wall, bottom-of-wall, and vertical joints
  • Easily installs using spray adhesive or staples
  • Installs on the face of the drywall with a perforated mud leg incorporated to accept joint compound
  • Installs fully cured, unaffected by water, moisture, or temperature
  • Remains flexible for the life of the assembly
  • Provides unlimited shelf life when stored indoors and kept dry in the original package
  • Paintable
  • Tested for air leakage for compliance with the IBC
  • STC ratings supported by two separate compressible sealing points: one against the deck and the other against the steel framing
  • ASTM E-84 ASTM E-90 ASTM E-119 ASTM E-1966
  • UL 263 UL 723 UL 2079 5th Edition Cal State Fire (BML) 1451-2376:0004 UL ER25033-01
  • L-Rating (air leakage) testing for compliance with International Building Code (IBC) and Canadian Building Code (CBC).
  • UL listings/approvals include: BW-S-0024; HW-D-0550, HW-D-0554; HW-D-0624; HW-S-0128; WW-D-0104; WW-D-0172
  • U.S. Patent No. 11,111,666; 11,873,636

View Code Evaluation Report

  • The 1 hr profile has a 1/2” gasket with a 5/8” flexible horizontal return leg.
  • The 2 hr profile has a 1/2” gasket with a 1-1/4” flexible horizontal return leg.

Fire Bead for use in Joint System Nos.:

BW-S-0024, HW-D-0550, HW-D-0554, HW-D-0624, HW-D-0625, HW-S-0128, WW-D-0104, WW-S-0094.

When stored indoors and kept dry in the original package, Fire Bead will provide unlimited shelf life.

SEE THE VALUE

RELATED PRODUCTS

RESOURCES

Resources Thumb - Product Catalog
Product Catalog
Resources Thumb - Installation Guide
Installation Guide
Resources Thumb - UL Certifications
UL Certification
Resources Thumb - UL Certifications
UL Evaluation Report

GET PROJECT SUPPORT